Thân khóa đồng Hafele 911.02.158

Thương hiệu: Hafele
Loại: Khóa cửa
Xuất xứ: Trung Quốc
Tình trạng: Còn hàng
5,200,000₫

Mã sản phẩm : 911.02.158

Chất liệu : thép mạ nikel mạ đồng bóng

Số lượng
Gọi mua hàng: 03397680660339768066 (từ 8h15 đến 21h hàng ngày)

 Thân khóa vệ sinh đồng bóng hafele 911.02.158 thuộc dòng: Startec

Kiểu loại: Thân khóa lưỡi già chốt chết

Công dụng: Dùng cho phòng vệ sinh, cửa phòng tắm

Dùng cho cửa gỗ phẳng hoặc có mộng

Lưỡi gà được điều khiển bởi tay nắm

Chốt chết được điều khiển bằng đầu vặn

Chốt chết, lưỡi gà và lỗ trực tay nắm làm từ inox

Lỗ trục tay nắm:  8 mm

Theo chứng chỉ EN 12209

Theo tiêu chuẩn CE

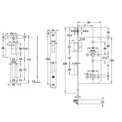
Thông số kỹ thuật thân khóa Hafele 911.02.158

Chất liệu: thép mạ nikel

Mặt thân khóa inox 304 mạ đồng bóng

Mặt thân khóa tròn kích thước 24 mm

Khoảng cách từ lỗ trục tay nắm đến lỗ ruột khoá (b): 72 mm

Khoảng cách từ cạnh cửa đến tâm lỗ ruột khoá (a): 55 mm

Trộn bộ gồm: 1 thân khoá + 1 bas thân khoá + 1 bas hộp nhựa + Vít

ĐĂNG NHẬP
Nhận nhiều ưu đãi hơn
Danh mục
popup

Số lượng:

Tổng tiền: